Насос для Lamborghini 2.4539.310.0/10 / Hydro-pack 20A15X205
В наличии
Описание / Насос для Lamborghini 2.4539.310.0/10 / Hydro-pack 20A15X205
Шестеренный насос гидравлический бренда Hydro-pack на трактор Lamborghini 2.4539.310.0/10 серии 20A15X205
Гидравлический шестеренный насос Hydro-pack 20A15X205 группы 20, с объемом 15 см3/об, имеет левое вращение (против часовой стрелки). Применяется для установки на трактор Lamborghini SAME Serie Antares: Antares 100, Antares 110, Antares 110 II, Antares 130, Antares 130 II; Serie Dorado: Dorado 66, Dorado 76, Dorado 86; Serie Dorado F: Dorado 100F, Dorado 70F, Dorado 75F, Dorado 90F; Serie Dorado S: Dorado 100S, Dorado 70S, Dorado 75S, Dorado 90S; Serie Dorado V: Dorado 100V, Dorado 70V, Dorado 75V, Dorado 90V; Serie Dorado3: Dorado3 60, Dorado3 80, Dorado3 90; Serie Explorer: Explorer 75, Explorer 85, Explorer 95; Serie Explorer3: Explorer3 85 Classic; Serie: Frutteto3: Frutteto3 100, Frutteto3 80, Frutteto3 90; Serie Frutteto3 S: Frutteto3 S80, Frutteto3 S100, Frutteto3 S90; Serie Frutteto3 V: Frutteto3 V100; Serie Silver: Silver 100.4, Silver 100.6, Silver 105, Silver 110, Silver 115, Silver 130, Silver 80, Silver 85, Silver 90, Silver 95.
- Диапазон рабочих температур: -10 °C ... +80 °C
- Рабочая жидкость: минеральное гидравлическое масло
- Вязкость: 10-100 сСт (рекомендуется минеральное гидравлическое масло вязкостью 46 сСт)
- Фильтрация: 25 мкм
Характеристики насоса шестеренного Hydro-pack на трактор 20A15X205
- Код: 20A15X205
- Альтернативний код: 2.4539.310.0/10, 0510515361, 0510 515 361
- Рабочий объем: 15 куб.см/об
- Расход: 21.60 л/мин
- Вращение: левое
- Макс. панель рабочего давления: 250 бар
- Макс. скорость: 2500 об/хв
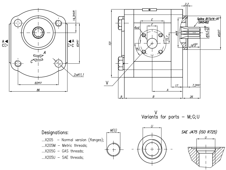
Размер

A - 45 мм, B - 94.9 мм
Inlet: E - 40, F - 20, d - M6-6H, M - M 20x1.5, G - G 3/4, U - 1 1/16"-12U N F
Outlet: E - 35, F - 15, d - M6-6H, M - M 16x1,5, G - G 1/2, U - 7/8"-14U N F
Подробнее
| Артикул | 20A15X205 |
|---|---|
| Рабочий объем (см³) | 15,00 |
| Макс. рабочее давление (бар) | 250,00 |
| Макс. скорость (об/мин) | 2 500,00 |
| Направление вращения | Левое |
| Группа насоса | 20 Серия |
| Вид техники | Погрузчик, Сельхозтехника, Спецтехника, Трактор |
| Марка техники | Lamborghini |
| Особенности насоса | Однопоточный |
| Тип присоединения | ISO |
| Состояние | Новое |
| Гарантийный срок, мес | 12 |
| Бренд | Hydro-pack |
| Страна производителя | Турция |