Гидронасос Hydro-pack 10A0,8X302 (10A0,8X027) (0.8 см3, 230 бар, 3500 об/мин)
В наличии
Описание / Гидронасос Hydro-pack 10A0,8X302 (10A0,8X027) (0.8 см3, 230 бар, 3500 об/мин)
Шестеренный насос на гидроборт 10A0,8X302 от Hydro-pack
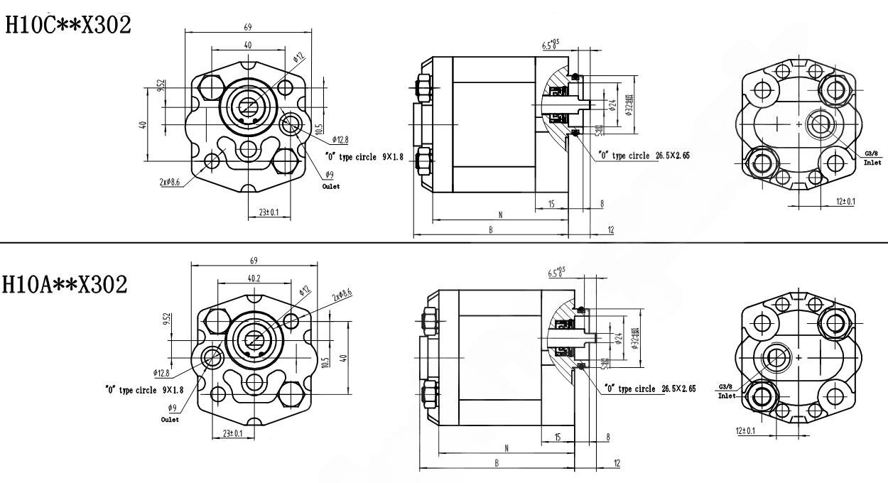
Гидравлический шестеренный насос Hydro-pack 10A0,8X302 группы 10, с производительностью 0,8 см3/об, имеет левое вращение (против часовой стрелки) и работает при постоянном давлении 230 бар. Широко применяются в промышленной гидравлике, а также устанавливаются на гидроборт, они обеспечивают сравнительно высокие давления и небольшие расходы, отличаются стабильностью характеристик и высокой долговечностью.
- Диапазон рабочих температур: -10 °C ... +80 °C
- Рабочая жидкость: минеральное гидравлическое масло
- Вязкость: 10-100 сСт (рекомендуется минеральное гидравлическое масло вязкостью 46 сСт)
- Фильтрация: 15-25 мкм
Характеристики Hydro-pack 10A0,8X302
- Код: 10A0,8X302
- Вращение: левое
- Расход: 0.8 куб.см/об
- Макс. панель рабочего давления: 230 бар
- Макс. скорость: 3500об/мин

N - 67 мм, B - 78.5 мм
Подробнее
| Code 1C | 0А-49712 |
|---|---|
| Артикул | 10A0,8X302 |
| Рабочий объем (см³) | 0,80 |
| Макс. рабочее давление (бар) | 230,00 |
| Макс. скорость (об/мин) | 6 000,00 |
| Направление вращения | Левое |
| Группа насоса | 10 Серия |
| Вид техники | Гидроборт |
| Особенности насоса | Однопоточный |
| Тип присоединения | ISO |
| Состояние | Новое |
| Гарантийный срок, мес | 12 |
| Бренд | Hydro-pack |
| Страна производителя | Турция |