Шестеренчатый гидравлический насос Hydro-pack 20А16Х007 (16см3, 250 бар, 2500 об/мин)
В наличии
Описание / Шестеренчатый гидравлический насос Hydro-pack 20А16Х007 (16см3, 250 бар, 2500 об/мин)
Шестеренный насос гидравлический бренда Hydro-pack 20А16Х007
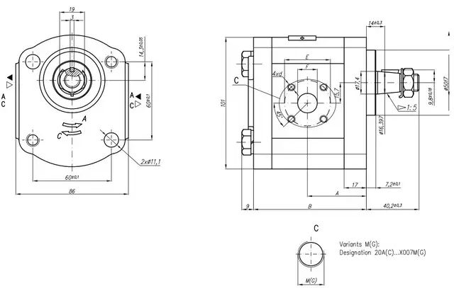
Гидравлический шестеренный насос Hydro-pack 20А16Х007 группы 20, с объемом 16 см3/об, имеет левое вращение (против часовой стрелки). Применяется для установки на трактор.
- Диапазон рабочих температур: -10 °C ... +80 °C
- Рабочая жидкость: минеральное гидравлическое масло
- Вязкость: 10-100 сСт (рекомендуется минеральное гидравлическое масло вязкостью 46 сСт)
- Фильтрация: 25 мкм
Характеристики насоса шестеренного Hydro-pack
- Код: 20А16Х007
- Рабочий объем: 16 куб.см/об
- Расход при 1500 об/мин: 23,04см³/об
- Вращение: левое
- Макс. панель рабочего давления: 250 бар
- Макс. скорость: 2500 об/хв

A - 45 мм, В - 96.5 мм
Входное отверстие: E - 40, F - 20, d - M6-6H, M - M20 x1,5, G - G3/4
Выходное отверстие: E - 35, F - 15, d - M6-6H, M - M16x1,5
Подробнее
| Code 1C | 0А-55130 |
|---|---|
| Артикул | 20А16Х007 |
| Рабочий объем (см³) | 16,00 |
| Макс. рабочее давление (бар) | 250,00 |
| Ном. скорость (об/мин) | 2 500,00 |
| Направление вращения | Левое |
| Группа насоса | 20 Серия |
| Вид техники | Погрузчик, Сельхозтехника, Спецтехника, Станки, Трактор |
| Особенности насоса | Однопоточный |
| Тип присоединения | ISO |
| Состояние | Новое |
| Гарантийный срок, мес | 12 |
| Бренд | Hydro-pack |
| Страна производителя | Турция |