Шестеренчатый гидравлический насос Hydro-Pack 10C3.6X001
В наличии
Описание / Шестеренчатый гидравлический насос Hydro-Pack 10C3.6X001
Шестеренный насос на гидроборт 10C3.6X001 от Hydro-pack
Гидравлический шестеренный насос Hydro-pack 10C3.6X001 группы 10, с производительностью 3.65 см3/об, имеет правое вращение (по часовой стрелке) и работает при постоянном давлении 250 бар. Применяется для установки на гидроборт.
- Диапазон рабочих температур: -10 °C ... +80 °C
- Рабочая жидкость: минеральное гидравлическое масло
- Вязкость: 10-100 сСт (рекомендуется минеральное гидравлическое масло вязкостью 46 сСт)
- Фильтрация: 15-25 мкм
Характеристики Hydro-pack 10C3.6X001
- Код: 10C3.6X001
- Рабочий объем: 3.65 куб.см/об
- Расход: 5.15 при 1500 л/мин
- Вращение: правое
- Макс. панель рабочего давления: 250 бар
- Макс. скорость: 3500 об/хв
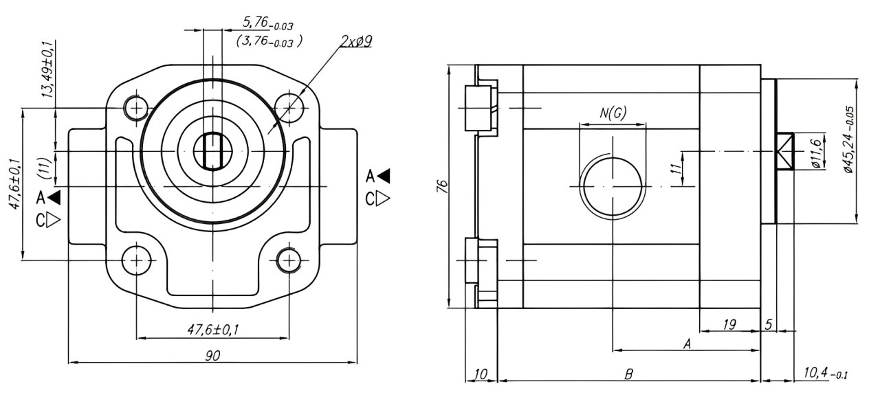
Размер

А - 45,4 мм, В - 79,8 мм
Inlet: G - G1/2, N - 1/2" NPTF-14
Outlet: G - G1/2, N - 1/2" NPTF-14
Подробнее
| Code 1C | 0А-48366 |
|---|---|
| Артикул | 10C3.6X001 |
| Рабочий объем (см³) | 3,65 |
| Макс. рабочее давление (бар) | 250,00 |
| Макс. скорость (об/мин) | 3 500,00 |
| Направление вращения | Правое |
| Группа насоса | 10 Серия |
| Вид техники | Гидроборт |
| Особенности насоса | Однопоточный |
| Тип присоединения | ISO |
| Состояние | Новое |
| Гарантийный срок, мес | 12 |
| Бренд | Hydro-pack |
| Страна производителя | Турция |