Гідророзподільник моноблочний 2P80 (2 секції, 80 л/хв, 250 бар)
В наявності
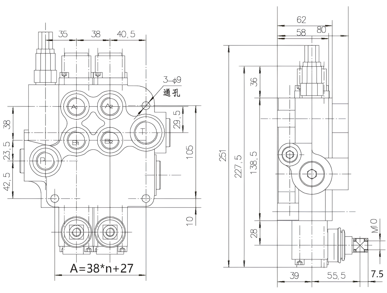
Опис / Гідророзподільник моноблочний 2P80 (2 секції, 80 л/хв, 250 бар)
Гідравлічний двосекційний ручний розподільник 2P80
Гідророзподільник P80-2 (2P80) — важливий елемент гідросистем, який відповідає за точне керування потоком рідини. Цей двосекційний розподільник дозволяє ефективно включати, вимикати та перенаправляти гідравлічну рідину, забезпечуючи роботу різних вузлів та агрегатів.
Розподільник оснащений двома механічно керованими секціями (шпулями), що дозволяє точно регулювати рух рідини в кількох напрямках. Модель розрахована на номінальну витрату 80 літрів за хвилину і витримує тиск до 250 бар, що гарантує стабільну роботу навіть у важких умовах експлуатації.
Гідророзподільник підходить для використання з мінеральними гідравлічними маслами та підтримує широкий діапазон робочих в'язкостей та температур, що розширює сферу його застосування у різних галузях промисловості та техніки.
Основні переваги P80-2:
- Надійне ручне керування потоком рідини
- Дві незалежні секції управління
- Універсальне застосування в гідросистемах
- Підтримка стандартних різьбових з'єднань
- Робота в широкому діапазоні температур та в'язкості мастила
Технічні характеристики:
- Витрата рідини: 80 л/хв
- Максимальний тиск: 250 бар
- Кількість секцій: 2
- Робоча рідина: Мінеральна гідравлічна олива
- Діапазон в'язкості: 15–75 мм²/с
- Мінімальна в'язкість: 12 мм²/с
- Максимальна в'язкість: 400 мм²/с
- Робоча температура навколишнього середовища: від -40 °C до +80 °C

Детальніше
| Code 1C | 0А-54370 |
|---|---|
| Вид керування | Ручне |
| Тип розподільника | Золотниковий |
| Пропускна спроможність (л/хв) | 80 |
| Макс. робочий тиск (бар) | 250,00 |
| Кількість секцій | 2 |
| Стан | Новий |
| Гарантійний термін, міс | 12 |