Лебідка електрична 15,8т 24V BST S 35000 LBS Husar Winch
В наявності
Опис / Лебідка електрична 15,8т 24V BST S 35000 LBS Husar Winch
Лебідка BST S 35000 lbs (24V) — для позашляховиків та спецтехніки
BST S 35000 lbs — потужна електрична лебідка для важких завдань: евакуації техніки, самовитягування, роботи на бездоріжжі та в умовах промислової експлуатації. Модель розрахована на тягове зусилля 35000 lbs / 15 876 кг, оснащена двигуном 24V, 3-ступеневою планетарною коробкою передач та внутрішнім храповим гальмом у редукторі — для безпечної та контрольованої роботи під навантаженням.
Переваги
- Максимальна тяга 15 876 кг — підходить для важких позашляховиків, евакуаторів і спецтехніки.
- 24V — стабільна робота та високий ресурс у професійному використанні.
- Планетарний редуктор (3 ступені) — висока тяга та надійність.
- Внутрішнє храпове гальмо — надійне утримання навантаження та безпека.
- Трос 30 м × 16 мм — запас довжини та міцності для реальних умов.
- Керування: дротовий + бездротовий пульт — зручність роботи на відстані.
- 4-ходові роликові напрямні — правильне укладання троса та захист від перетирання.
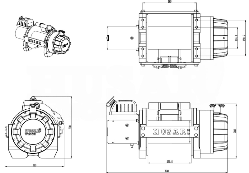
Технічні характеристики BST S 35000 lbs
| Модель | BST S 35000 lbs |
| Тягове зусилля | 35000 lbs / 15 876 кг |
| Двигун | 12,9 KM / 9,6 kW (24V) |
| Керування | Бездротовий пульт / дротовий пульт |
| Коробка передач | 3-ступенева планетарна |
| Передаточне число | 615:1 |
| Гальмо | Внутрішнє храпове гальмо в коробці передач |
| Трос | 30 м × 16 мм |
| Напрямні | 4-ходові роликові напрямні |
| Габаритні розміри | 630 × 313 × 331 мм |
| Вага | 106 кг |
Лінійна швидкість і споживання струму (1-й шар троса)
| Параметр | 0 | 5000 | 10000 | 20000 | 30000 | 35000 |
|---|---|---|---|---|---|---|
| Навантаження (кг) | 0 | 2268 | 4536 | 9072 | 13609 | 15876 |
| Швидкість намотування (м/хв, 24V) | 7 | 3 | 2,3 | 1,7 | 1,4 | 0,7 |
| Споживання струму (A, 24V) | 37 | 115 | 165 | 265 | 340 | 400 |
Максимальне навантаження за шарами намотування (трос 30 м)
| Шар троса | 1 | 2 | 3 | 4 |
|---|---|---|---|---|
| Тяга (lbs) | 35000 | 28334 | 23800 | 20517 |
| Макс. навантаження (кг) | 15876 | 12852 | 10796 | 9306 |
| Залишок троса на барабані (м) | 5,5 | 12,4 | 20,5 | 30 |

Детальніше
| Тип обладнання | Лебідка |
|---|---|
| Тип лебідки | Електрична |
| Максимальне тягове зусилля (т) | 15,00 т |
| Довжина тросу (м) | 30,00 м |
| Матеріал тросу | Сталь |
| Напруга (В) | 24 |
| Застосування | Позашляховик, Спецтехніка |
| Стан | Новий |
| Гарантійний термін, міс | 12 |
| Країна виробника | Польща |
| Бренд | Husar Winch |