Перехідна плита ВВП ZF Astronic з одним вушком 22 мм (без шпильок) 02PLT28
В наявності
Опис / Перехідна плита ВВП ZF Astronic з одним вушком 22 мм (без шпильок) 02PLT28
Перехідна плита ВВП ZF Astronic - одна вуха 22 мм, без шпильок (артикул 02PLT28)
Спеціалізована перехідна плита для автоматичної коробки передач ZF Astronic із встановленим інтардером (ретардером). Призначена для надійної фіксації валу відбору потужності (ВВП/КВП) у штатному посадковому місці КПП без застосування шпильок. Оснащена одним зміщеним вушком діаметром 22 мм для кріплення гідронасоса або іншого обладнання.
Комплект постачання: перехідна плита + ущільнювальна прокладка. Підходить для вантажівок з автоматичною КПП ZF Astronic та ретардером: MAN, Mercedes-Benz, DAF, Iveco, Renault — де потрібний простий монтаж гідравліки без переробок коробки.
Основні переваги плити
- Повна сумісність із ZF Astronic, оснащеним інтардером / ретардером
- Одна зміщена вуха Ø 22 мм — точна та зручна фіксація
- Виконання без шпильок — спрощений монтаж у стиснених умовах
- Виготовлена з високоміцної легованої сталі — стійка до вібрацій та навантажень
- У комплекті надійна прокладка — забезпечує повну герметичність з'єднання
- Аналог оригінальної деталі ZF/MAN/Mercedes за якістю та розмірами
- Швидкий та простий монтаж без доопрацювань коробки
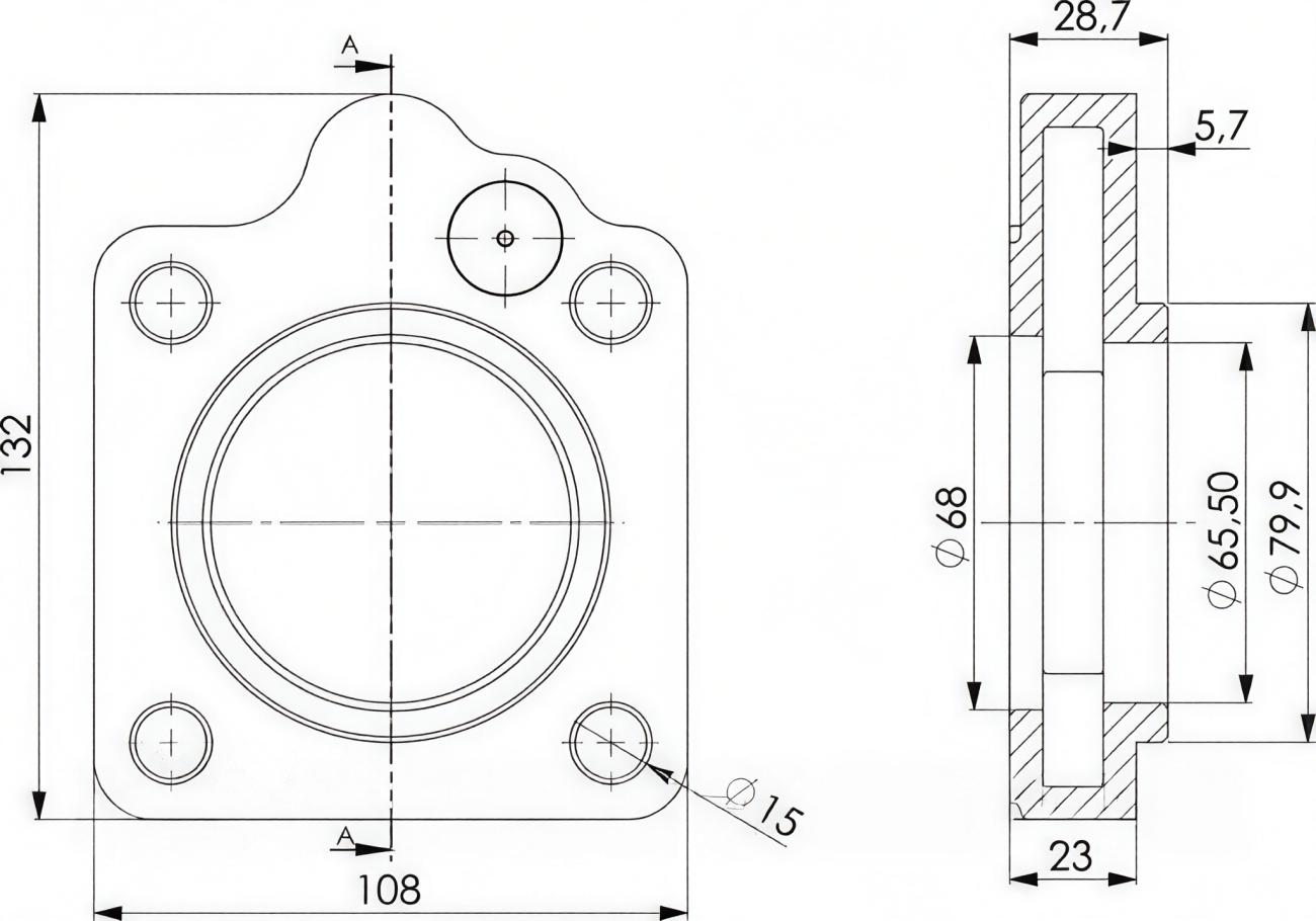
Технічні характеристики
- Артикул - 02PLT28
- Тип деталі - перехідна / фіксуюча плита ВВП для ZF Astronic
- Кількість вушок - 1 шт. (зміщена конструкція)
- Діаметр вуха — 22 мм
- Виконання без шпильок (спеціально для коробок з інтардером)
- Матеріал - високоміцна легована сталь
- Комплектація - плита + ущільнювальна прокладка
- Сумісність - ZF Astronic (MAN TGA/TGS/TGX, Mercedes Actros, DAF CF/XF, Iveco Stralis/Trakker, Renault Premium/Magnum з ретардером)
- Застосування — фіксація валу КОМ/гідронасосу в автоматичній КПП з інтардером
- Вага — приблизно 1,5–2,5 кг (залежить від партії)

Підходить для наступних машин
- MAN TGA, TGS, TGX з ZF Astronic та інтардером
- Mercedes Actros з автоматичною КПП ZF та ретардером
- DAF CF, XF з ZF Astronic
- Iveco Stralis, Trakker з аналогічною коробкою
- Renault Premium, Magnum з ZF Astronic та інтардером
Детальніше
| Code 1C | 0А-53928 |
|---|---|
| Артикул | 02PLT28 |
| Вид комплектуючих | Перехідна плита ВВП |
| Стан | Новий |
| Гарантійний термін, міс | 12 |
| Країна виробника | Туреччина |
| Бренд | Hiposan |