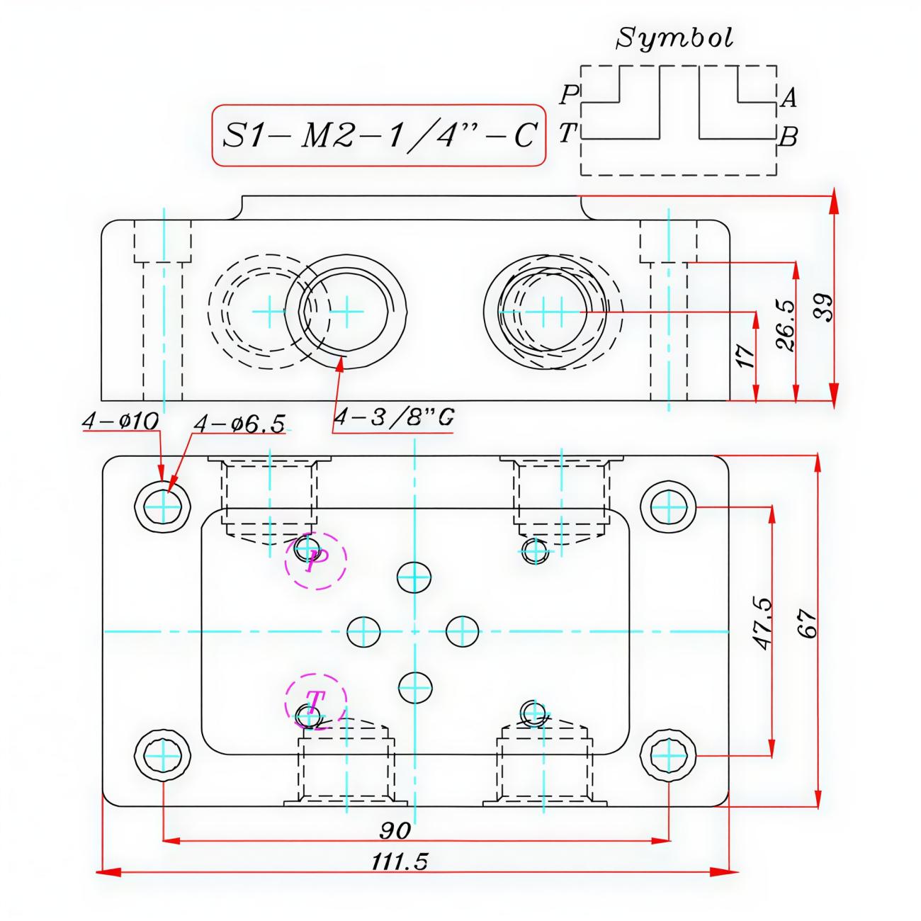
Плита гідравлічна S1-M2-1/4-с під гідророзподільник
В наявності
Опис / Плита гідравлічна S1-M2-1/4-с під гідророзподільник
Гідравлічна монтажна плита S1-M2-1/4-с — надійна база для розподільників
Якісна алюмінієва плита S1-M2-1/4-с призначена для встановлення гідророзподільників та клапанів з різьбовими з'єднаннями G1/4". Забезпечує зручне та герметичне підключення гідроліній, спрощує складання гідроблоків та дозволяє швидко монтувати обладнання без зайвих перехідників.
Ідеально підходить для мобільної гідравліки, верстатів, підйомних платформ, пресів, автокранів-маніпуляторів та іншої техніки, де потрібна компактна та міцна монтажна основа.
Технічні характеристики
- Модель - S1-M2-1/4-с
- Тип - монтажна / перехідна плита під гідророзподільник
- Приєднувальні порти — G1/4" (BSP внутрішнє різьблення)
- Матеріал — алюмінієвий сплав (анодований або без покриття)
- Максимальний тиск - 350 бар
- Максимальна витрата — до 50 л/хв
- Кількість портів — стандартна схема P-T-A-B
- Кріплення розподільника - 4 отвори під болти M5
- Вага — близько 0,7–1,1 кг

Детальніше
| Code 1C | 0А-53502 |
|---|---|
| Артикул | S1-M2-1/4-с |
| Вид комплектуючих | Плита під гідророзподільник |
| Стан | Новий |
| Гарантійний термін, міс | 12 |