Запобіжний клапан подвійної дії RVD-OMP-OMR-2, 350 бар, 60 л/хв, 1/2"
В наявності
Опис / Запобіжний клапан подвійної дії RVD-OMP-OMR-2, 350 бар, 60 л/хв, 1/2"
Запобіжний клапан подвійної дії RVD-OMP-OMR-2 для гідромоторів OMP/OMR
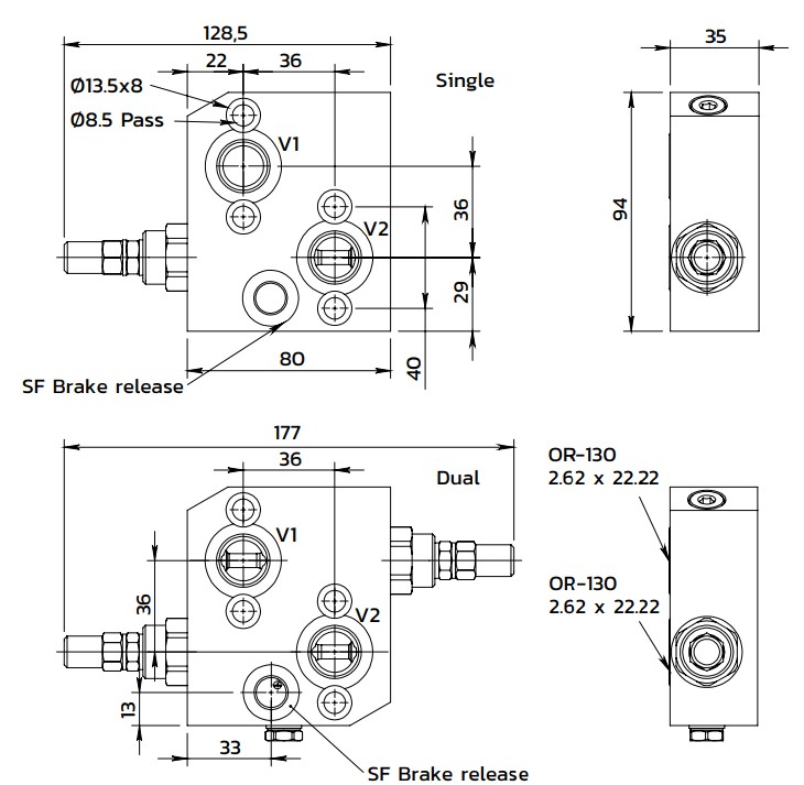
RVD-OMP-OMR-2 — гідравлічний клапан перехресного типу (cross-over) прямої дії, призначений для захисту гідромоторів OMP та OMR від різких стрибків тиску та гідравлічних ударів. Клапан встановлюється безпосередньо на фланець гідромотора, забезпечуючи надійну роботу гідросистеми у важких умовах експлуатації.
Завдяки продуманій конструкції пристрій обмежує тиск в обох лініях гідромотора, що запобігає пошкодженню гідравлічних компонентів та збільшує термін служби обладнання.
Переваги:
- ефективний захист гідромотора від перевантажень;
- прямий фланцевий монтаж на мотор OMP/OMR;
- швидка реакція на стрибки тиску;
- стійкість до інтенсивної експлуатації;
- компактна та надійна конструкція;
- мінімальні втрати тиску в гідросистемі.
Технічні характеристики:
- Тип клапана: подвійний cross-over;
- Максимальний робочий тиск: 350 бар;
- Максимальна витрата: 60 л/хв;
- Температура робочої рідини: −20°C … +90°C;
- Температура навколишнього середовища: −20°C … +50°C;
- Клас в'язкості рідини: ISO 3448;
- Клас чистоти олії: ISO 4406;
- Матеріал корпусу: оцинкована сталь;
- Ущільнення: NBR 70 Shore A
- Специфікація: PDF

| Стандартний код | різьблення V1-V2 | Порт SF | Позначення | Вага (кг) | Макс. потік (л/хв) |
|---|---|---|---|---|---|
| 10L04G033R04Z | 1/2" | — | RVD-OMP-OMR-2 | 1.7 | 60 |
Детальніше
| Артикул | 10L04G033R04Z |
|---|---|
| Тип гідравлічного клапана | Запобіжні клапани |
| Пропускна спроможність (л/хв) | 60 |
| Піковий тиск (бар) | 350,00 |
| Стан | Новий |
| Гарантійний термін, міс | 12 |
| Країна виробника | Італія |
| Бренд | Gumec |