Запобіжний клапан Gumec RVD-DI-180° 1, до 350 бар, 160 л/хв, 1″
В наявності
Опис / Запобіжний клапан Gumec RVD-DI-180° 1, до 350 бар, 160 л/хв, 1″
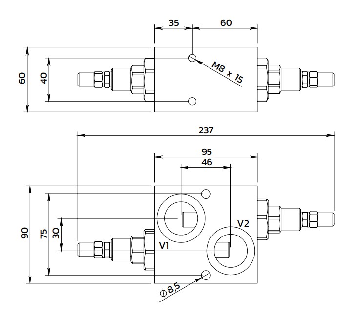
Подвійний перехресний запобіжний клапан Gumec RVD-DI-180° 1″, до 350 бар, 160 л/хв
Gumec RVD-DI-180° 1″ — високопродуктивний гідравлічний запобіжний клапан перехресного типу (cross-over), призначений для захисту гідромоторів та гідравлічних систем від різких стрибків тиску та ударних навантажень. Клапан оснащений портами 1″ та забезпечує стабільну роботу гідравлічних контурів при високих навантаженнях та інтенсивній експлуатації.
Конструкція подвійного перехресного клапана дозволяє автоматично перерозподіляти тиск між лініями гідросистеми. При перевищенні встановленого значення клапан відкривається та спрямовує надлишковий потік робочої рідини в протилежну лінію, запобігаючи пошкодженню насосів, гідромоторів та інших елементів гідравліки.
Корпус клапана виконаний із міцної сталі з оцинкованим покриттям, яке захищає пристрій від корозії та забезпечує тривалий термін служби навіть у важких умовах експлуатації. Максимальна пропускна здатність досягає 160 л/хв, а робочий тиск може досягати 350 бар.
Переваги:
- подвійний перехресний захист гідроліній;
- ефективне придушення гідравлічних ударів;
- висока пропускна здатність до 160 л/хв;
- надійна робота при тиску до 350 бар;
- міцність та стійкість до корозії завдяки оцинкованому корпусу;
- підходить для гідромоторів, мобільної техніки та промислового обладнання;
- стабільна робота при інтенсивній експлуатації.
Технічні характеристики:
- Тип клапана: подвійний перехресний запобіжний (cross-over);
- Конструкція: прямої дії;
- Розмір портів: 1″;
- Максимальний робочий тиск: 350 бар;
- Максимальна витрата: 160 л/хв;
- Температура робочої рідини: −20°C … +90°C;
- Температура навколишнього середовища: −20°C … +50°C;
- Клас в'язкості рідини: ISO 3448;
- Клас фільтрації: ISO 4406;
- Матеріал корпусу: оцинкована сталь;
- Стандартні ущільнення: NBR 70 Shore A
- Специфікація: PDF

Детальніше
| Тип гідравлічного клапана | Запобіжні клапани |
|---|---|
| Пропускна спроможність (л/хв) | 160 |
| Піковий тиск (бар) | 350,00 |
| Стан | Новий |
| Гарантійний термін, міс | 12 |
| Країна виробника | Італія |
| Бренд | Gumec |