Селекторний клапан Gumeg SHV-M 1/4" BSPP, 350 бар, 20 л/хв
В наявності
Опис / Селекторний клапан Gumeg SHV-M 1/4" BSPP, 350 бар, 20 л/хв
Гідравлічний селекторний клапан Gumeg SHV-M 1/4" BSPP
Gumeg SHV-M 1/4" — компактний селекторний гідравлічний клапан (клапан вибору тиску), призначений для з'єднання двох ліній тиску та передачі потоку з тієї лінії, де тиск вищий.
Клапан застосовується у гідравлічних системах мобільної техніки, промислового обладнання та сільськогосподарських машин. Завдяки міцному корпусу та захисному цинковому покриттю він стійкий до корозії та надійно працює при високих навантаженнях.
Переваги:
- компактна та міцна конструкція;
- автоматичний вибір лінії з більш високим тиском;
- просте встановлення в гідравлічну лінію;
- висока надійність та герметичність;
- захисне антикорозійне покриття;
- тривалий термін служби.
Технічні характеристики:
- Тип клапана: селекторний (клапан вибору тиску);
- Тип з'єднання: внутрішнє різьблення BSPP;
- Максимальна витрата: 20 л/хв;
- Максимальний тиск: 350 бар;
- Температура рідини: −20°C … +90°C;
- Температура навколишнього середовища: −20°C … +50°C;
- Клас в'язкості: ISO 3448;
- Клас фільтрації: ISO 4406;
- Покриття корпусу: оцинкована сталь
- Специфікація: PDF

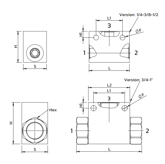
| Код | різьблення | L | L1 | H | Hex | ØF | Вага кг | Макс. потік | Макс. тиск |
|---|---|---|---|---|---|---|---|---|---|
| 13L01B0130020 | 1/4" | 52 | 34 | 40 | 30 | 6.5 | 0.30 | 20 | 350 |
Детальніше
| Артикул | 13L01B0130020 |
|---|---|
| Тип гідравлічного клапана | Дільники потоку |
| Пропускна спроможність (л/хв) | 20 |
| Піковий тиск (бар) | 350,00 |
| Стан | Новий |
| Гарантійний термін, міс | 12 |
| Країна виробника | Італія |
| Бренд | Gumec |