Гідромотор TMF 250 M+S Hydraulic (251.8 см3, 41 кВт, 500об/хв)
В наявності
Опис / Гідромотор TMF 250 M+S Hydraulic (251.8 см3, 41 кВт, 500об/хв)
Гідравлічний мотор TMF 250 від M+S Hydraulic (Болгарія)
Цей гідромотор має робочий об'єм 251.8 см³, що дозволяє йому ефективно перетворювати енергію рідини в крутний момент. З максимальною швидкістю обертання до 500 об/хв та пропускною здатністю 125 л/хв, він забезпечує стабільну продуктивність навіть за інтенсивних умов роботи. Крутний момент 900 Нм дозволяє йому витримувати значні навантаження, що робить його ідеальним для застосування в обладнанні з високим робочим тиском до 250 бар.
Цей гідромотор буде корисним у важкій промисловій техніці, яка потребує стабільної потужності та довговічності.
Основні параметри TMF 250 M+S Hydraulic:
- Робочий об'єм: 251.8 см3
- Максимальна швидкість: 500 об/хв
- Пропускна здатність: 125 л/хв
- Крутний момент: 900 Нм
- Робочий тиск: 250 бар
- Потужність: 41 кВт
- Вага: 27,3 кг
- Детальна інформація: PDF
Рекомендації з експлуатації:
- Уривчаста швидкість і переривчастий тиск не повинні виникати одночасно.
- Рекомендована фільтрація відповідає коду чистоти ISO 20/16. Номінальна фільтрація 25 мікронів або вище.
- Рекомендується використовувати високоякісне гідравлічне масло на мінеральній основі HLP(DIN 51524) або HM (ISO 6743/4).
- Рекомендована мінімальна в'язкість олії 13 мм²/с [70 SUS] при 50°C [122°F].
- Рекомендована максимальна робоча температура системи становить 82°C [180°F].
- Щоб забезпечити оптимальний термін служби гідромотора, перед максимальним навантаженням залийте рідину і дайте йому попрацювати при помірному навантаженні та швидкості протягом 10–15 хвилин.
Застосування: різноманітна спецтехніка та промислова техніка
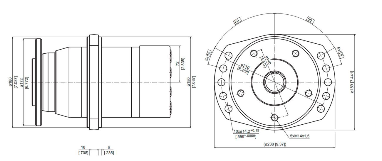
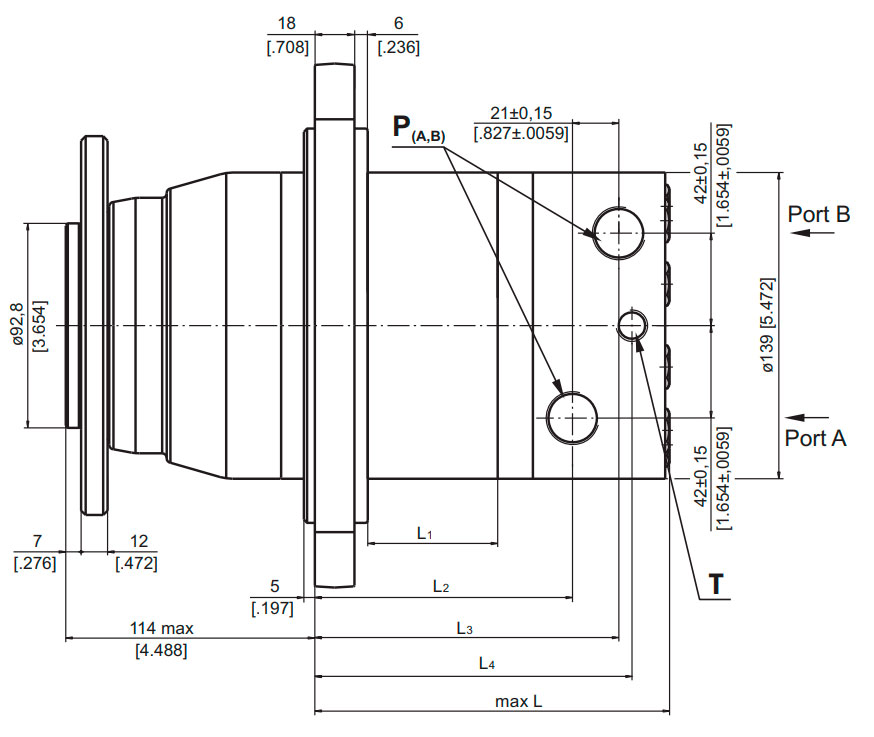
Розміри TMF 250 M+S Hydraulic:
- L, мм: 126
- L1, мм: 25
- L2, мм: 83
- L3, мм: 104
- L4, мм: 110,3
- L5, мм: 87
- L6, мм: 101,5


Детальніше
| Артикул | TMF 250 |
|---|---|
| Тип гідромотора | Героторний |
| Макс. крутний момент (Нм) | 900,00 |
| Максимальна потужність (кВт) | 41,00 |
| Макс. швидкість (об/хв) | 500,00 |
| Робочий об'єм (см³) | 251,80 |
| Максимальний потік (л/хв) | 125,00 |
| Тип валу | Циліндричний під шпонку |
| Стан | Новий |
| Гарантійний термін, міс | 12 |
| Бренд | M+S Hydraulic |
| Країна виробника | Туреччина |