Запобіжний подвійний клапан Gumec RVD-DI-90°, до 350 бар, 45 л/хв, 3/8"
В наявності
Опис / Запобіжний подвійний клапан Gumec RVD-DI-90°, до 350 бар, 45 л/хв, 3/8"
Подвійний перехресний запобіжний клапан Gumec RVD-DI-90°, до 350 бар
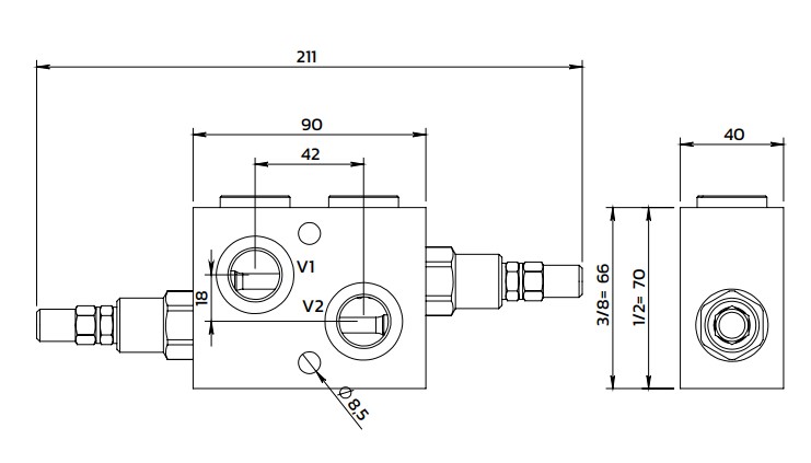
Gumec RVD-DI-90° — гідравлічний подвійний запобіжний клапан прямої дії, призначений для захисту гідросистем та гідромоторів від ударних навантажень та різких стрибків тиску. Конструкція cross-over забезпечує автоматичне скидання тиску між лініями C1 та C2, запобігаючи пошкодженню гідравлічних компонентів.
Клапан широко застосовується в мобільній техніці, гідравлічних приводах, гідромоторах та промисловому устаткуванні. Завдяки компактному корпусу та надійній конструкції пристрій забезпечує стабільну роботу системи навіть при високих навантаженнях.
Переваги:
- подвійний перехресний захист гідроліній;
- швидка реакція на стрибки тиску;
- стійкість до гідравлічних ударів;
- компактна конструкція для зручного монтажу;
- корпус із оцинкованої сталі із захистом від корозії;
- висока надійність при інтенсивній експлуатації.
Технічні характеристики:
- Тип клапана: подвійний cross-over запобіжний;
- Конструкція: прямої дії;
- Максимальний робочий тиск: 350 бар;
- Температура робочої рідини: −20°C … +90°C;
- Температура навколишнього середовища: −20°C … +50°C;
- Клас в'язкості рідини: ISO 3448;
- Клас фільтрації: ISO 4406;
- Ущільнення: NBR 70 Shore A;
- Матеріал корпусу: оцинкована сталь
- Специфікація: PDF

| Код виробу | різьблення (C1-C2) | Вага (кг) | Макс. витрати (л/хв) |
|---|---|---|---|
| 10L04H013R03Z | 3/8" | 1.5 | 45 |
Детальніше
| Артикул | 10L04H013R03Z |
|---|---|
| Тип гідравлічного клапана | Запобіжні клапани |
| Пропускна спроможність (л/хв) | 45 |
| Піковий тиск (бар) | 350,00 |
| Стан | Новий |
| Гарантійний термін, міс | 12 |
| Країна виробника | Італія |
| Бренд | Gumec |