Запобіжний клапан Gumec RVD-OMS-1, 350 бар, 50 л/хв, 1/2"
В наявності
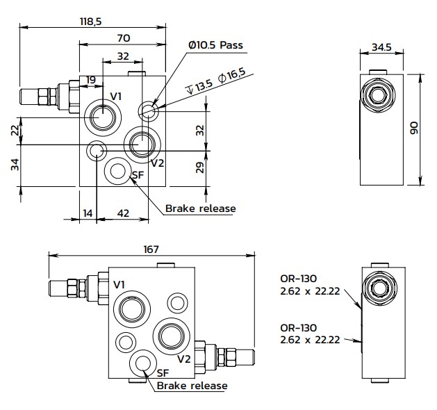
Опис / Запобіжний клапан Gumec RVD-OMS-1, 350 бар, 50 л/хв, 1/2"
Cross-over клапан тиску Gumec RVD-OMS-1 для гідромоторів OMS, 350 бар, 50 л/хв
RVD-OMS-1 — компактний запобіжний клапан для гідромоторів OMS, призначений для обмеження тиску та запобігання гідравлічним ударам у системі. Конструкція забезпечує стабільну роботу гідроприводу та підвищує надійність усієї гідросистеми.
Клапан може використовуватись у мобільній техніці, сільськогосподарських машинах та промисловому устаткуванні.
Переваги:
- надійний захист гідравлічного двигуна;
- просте встановлення на фланець OMS;
- стійкість до високих навантажень;
- компактний розмір;
- довговічні ущільнення;
- низькі гідравлічні втрати.
Технічні характеристики:
- Тип клапана: cross-over;
- Максимальний тиск: 350 бар;
- Максимальна витрата: 50 л/хв;
- Температура рідини: −20°C … +90°C;
- Температура навколишнього середовища: −20°C … +50°C;
- Матеріал корпусу: оцинкована сталь;
- Ущільнення: NBR 70 Shore A
- Специфікація: PDF

| Код виробу | різьблення V1-V2 | Порт SF | Позначення | Вага (кг) | Макс. витрати (л/хв) |
|---|---|---|---|---|---|
| 10L04G053R04Z | 1/2" | — | RVD-OMS-1 | 1.5 | 50 |
Детальніше
| Артикул | 10L04G053R04Z |
|---|---|
| Тип гідравлічного клапана | Запобіжні клапани |
| Пропускна спроможність (л/хв) | 50 |
| Піковий тиск (бар) | 350,00 |
| Стан | Новий |
| Гарантійний термін, міс | 12 |
| Країна виробника | Італія |
| Бренд | Gumec |