Джойстик 3 позиції (з кнопкою увімкнення КВП) HYVA
 
                
                    В наявності
Опис / Джойстик 3 позиції (з кнопкою увімкнення КВП) HYVA
Пневматичний джойстик керування Hyva 14750650H
За допомогою джойстика Hyva 14750650H здійснюється включення КВП (коробки відбору потужності). Крім того, джойстик дозволяє керувати гідророзподільним клапаном гідравлічної системи, регулюючи швидкість підняття та опускання кузова самоскида. Також можна здійснити зупинку кузова у потрібній позиції, що корисно для розвантаження на певні ділянки або у разі аварійної ситуації. Пневматична система керування призначена для накопичення, контролю та використання стисненого повітря для керування компонентами гідросистеми самоскида.
Рекомендації щодо використання пневматичного перемикача 14750650H
- При використанні з сумісним клапаном перекидання з пропорційним зниженням швидкість опускання кузова можна регулювати пропорційним рухом важеля управління повітрям.
- Керування повітрям включає електричний індикатор для відображення включення відбору потужності (P.T.O.).
- Функції керування повітрям Hyva чітко вказані на типовій табличці.
- Забезпечте сухе вхідне повітря.
Характеристики крана підйому кузова Hyva 14750650H
| Код продукту | 14750650H | 
|---|---|
| Макс. тиск повітря | 12 Бар | 
| Мін. тиск повітря | 5 Бар | 
| Макс. температура | 80 °C | 
| Мін. температура | -40 °C | 
| Підключення | 6 мм трубка | 
| Отвори для монтажу | M6 | 
| Напруга лампи | 24 VDC | 
| Вага | 0,4 кг | 
| Детальна інформація | 

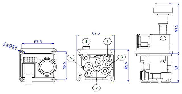
1) Вхід повітря; 2) Вихід повітря; 3) Підключення опускання (до гідророзподільника підйому кузова); 4) Підключення перекидання (до гідророзподільника підйому кузова); 5) Робочий порт P.T.O. (вихід на вал відбору потужності)
Детальніше
| Code 1C | 0А-00329 | 
|---|---|
| Артикул | 14750650H | 
| Вид комплектуючих | Пневматичний джойстик | 
| Кількість позицій | 3 | 
| Особливості пневмокерування | Увімкнення КВП | 
| Стан | Новий | 
| Гарантійний термін, міс | 12 | 
| Країна виробника | Нідерланди | 
| Бренд | Hyva |